Contingut
Hi ha molts dibuixos i dissenys, com fer un bufador de neu fes-ho tu i aquesta col·lecció creix constantment. Això es deu al rendiment exclusiu de la tècnica, ja que cada artesà fa els seus propis ajustaments. Una norma es manté sense canvis per als productes casolans. Els usuaris recomanen muntar una màquina de barres d'una sola etapa als residents del carril mitjà. La unitat de rotor de cargol de dues etapes és més difícil de muntar, però té un alt rendiment. És òptim tenir una bufadora de neu per a residents de regions nevades.
Característiques del dispositiu d'equips de neu
Qualsevol bufador de neu creat per vosaltres mateixos pot tenir lleugeres diferències en el disseny dels mecanismes que fan que les màquines siguin exclusives. Però l'artesà reuneix les principals unitats de treball mitjançant un esquema ja desenvolupat. Per buscar un projecte d’aquest tipus, n’hi ha prou amb submergir-se a Internet o contactar amb un amic que ja ha fabricat un bufador de neu per a la casa.
Comencem una visió general del dispositiu de bufat de neu amb el motor. Pot ser elèctric o de gasolina. La màquina amb motor elèctric és més fàcil de fabricar, més econòmica de manejar i requereix poc o cap manteniment. Un bufador de neu amb motor de gasolina és molt més potent, no tem la humitat i, a més, el cotxe es torna mòbil a causa de la falta d’adherència a la presa de corrent.
Una característica del dispositiu d’aparell de llevaneus és la presència d’un rotor o barrina. Els models combinats tenen els dos nodes. El rotor és un rotor amb pales que giren sobre els coixinets dins d’una carcassa d’acer. És fàcil de fer. És més difícil de fer pels bufadors de neu cargol... Aquí cal desenvolupar dibuixos.
La seqüència per al muntatge de la barrena és la següent:
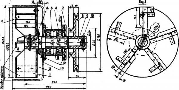
- L'eix està format per una canonada, soldada als extrems del rotlló del coixinet, i dues plaques d'acer rectangulars al centre. Aquests seran els omòplats.
- Es tallen quatre discos amb un diàmetre de 280 mm de gruix gruixut o acer amb un gruix de 2 mm.
- Es realitza un forat al centre de cada peça, igual al gruix de l’eix, després del qual es sega un costat de l’anell resultant.
- Una espiral es dobla des del disc tallat i es fixa a l’eix. Al costat esquerre, es col·loquen dos discos amb girs dirigits cap a les fulles. Feu el mateix a la part dreta de l’eix.
Els coixinets núm. 203 o d’altres mides adequades s’instal·len als barrons. Per fixar el cargol sota els coixinets, els cubs es fabriquen a partir de seccions de canonades. Els espais en blanc estan cargolats als prestatges laterals del cos del receptor de neu.
La galleda de neu està feta amb xapa d’acer. Per fer-ho, agafeu una tira amb una amplada de 500 mm i doblegueu-la amb un arc de 300 mm de diàmetre. Els costats es poden cosir amb fusta contraxapada o metall. Es talla un forat amb un diàmetre de 160 mm al centre de la part superior del receptor de neu, al qual s’uneix una màniga per expulsar la neu. L'estructura acabada s'instal·la al marc. Es solda a partir de cantonades metàl·liques.
Ara queda el bufador de neu fabricat per crear una unitat. És a dir, cal fer girar la barrena. Hi ha diverses opcions sobre com fer la unitat vosaltres mateixos:
- El bufador de neu amb barres rotatives es pot equipar amb una caixa de canvis. S'instal·la en lloc de les fulles i l'eix del cargol està format per dues meitats.
- La transmissió per corretja és proporcionada per dues politges.Un es troba a la presa de força del motor i l’altre es munta a l’eix de la barrena.
- La transmissió per cadena està disposada de manera similar a la transmissió per corretja, només s’utilitzen pinyons d’un ciclomotor o bicicleta en lloc de politges.
- Si a bufador de neu casolà muntat amb les vostres pròpies mans com a broquet per a un tractor a peu, podeu fer una conducció combinada. En aquest cas, l’eix del motor està connectat a l’engranatge intermedi mitjançant una transmissió per corretja i el parell motor de l’eix de l’engranatge a la barrena es transmet mitjançant una transmissió per cadena. El principi d'aquesta connexió es mostra a la foto.
De totes les opcions, la transmissió per corretja es considera la més senzilla, per la qual cosa és més sovint instal·lada pels artesans a les seves bufadores de neu.
Exemples de bufadors de neu fabricats per si mateixos
Ara veurem com es monta una bufadora de neu bricolatge amb un motor de diversos equips i també considerarem l’opció d’un broquet per a un tractor a peu.
Ventilador elèctric
Un model elèctric d'un bufador de neu és més adequat per a una casa d'estiu on s'ha de treure la neu poques vegades i en petites quantitats. Normalment, en lloc d'un cargol, aquestes màquines estan equipades amb un rotor que funciona segons el principi d'un ventilador. Després que les paletes de guia capturin la neu, les pales del ventilador la mesclen amb l'aire i l'expulsen a pressió a través del mànec de sortida.
El disseny del rotor és senzill. Es pot fer segons el dibuix.
Per al rodet, s’agafa un disc metàl·lic i es solden les fulles d’una tira d’acer. Hi poden haver de 2 a 5 peces. L'eix està girat sobre un torn des d'una barra d'acer. Hi ha muntats dos coixinets juntament amb els molls.
Per al cos del cargol, es talla una part del canó metàl·lic des del costat inferior amb una alçada de 150 mm. Es talla un forat al costat, on es solda un tub de derivació per subjectar la màniga. Es fa un forat al centre de la part inferior, s’insereix l’eix del rotor de manera que quedi dins de la voluta. S'hi posa un impulsor. Els cubs del coixinet del rotor estan cargolats a la part inferior del canó des de l'exterior de la voluta. Dues làmines rectangulars estan soldades des de la part frontal de la caixa. Les paletes agafaran la neu i el ventilador aspirarà, triturarà i llançarà.
El mecanisme de rotor acabat es col·loca al marc, connectat per una transmissió per corretja amb un motor elèctric, i les rodes d’una carretilla s’utilitzen com a equip de rodatge.
Desbrozadora amb motor de gasolina
Les bufadores de neu que funcionen amb gasolina es fabriquen generalment amb mecanisme de barres o combinades. La primera opció és molt més senzilla. Vam considerar la fabricació del cargol anterior. Per a una bufadora de neu combinada, heu de muntar el rotor addicionalment tal com es va fer per al model elèctric. Només les paletes de guia no estan soldades a la carcassa del rotor. Està connectat a la part posterior del col·lector de neu de barrina.
El motor s’adaptarà a qualsevol motor refrigerat per aire. Pot ser de dos o quatre temps. El quadre d’un cotxe no autopropulsat es col·loca sobre els esquís. Serà més fàcil per a l’operador empènyer el llevaneus sobre una coberta gruixuda. Si la potència del motor us permet fabricar una màquina autopropulsada, haureu de fixar les rodes al marc i connectar-les amb un accionament a la presa de força del motor.
Enganxa a un tractor que es troba darrere
El bufador de neu més senzill és un enganxament en un tractor que es troba darrere. Si hi ha una unitat de tracció al pati, doncs, per què crear una altra màquina amb un impuls estacionari? Com a frontissa, cal fer un mecanisme de cargol amb fulles per expulsar neu. El cos del receptor de neu es col·loca al marc. Els esquís s’adjunten des de baix. A la part posterior del bastidor es solden els elements de fixació, amb l'ajut dels quals la boquilla s'acoblarà al tractor de peu.
La transmissió es realitza mitjançant una transmissió per corretja. La velocitat de rotació de la barrina es pot ajustar seleccionant politges de diferents diàmetres. Si no es pot fer això, podeu establir entre tractor i barrina de recorregut broquet reductor intermedi. Reduirà la rpm a la freqüència desitjada.
El vídeo mostra el treball d'un bufador de neu casolà:
Un bufador de neu casolà amb els seus paràmetres pràcticament no difereix dels seus homòlegs de fabricació i costarà al propietari diverses vegades més barat.











