Contingut
Els bufadors de neu són més demandats pels residents de les regions on hi ha una gran quantitat de precipitacions. Les unitats fetes a la fàbrica són cares, de manera que la majoria d’artesans les fabriquen elles mateixes. Hi ha una gran varietat de dissenys per a aquests productes casolans. Els mecanismes més habituals són els de cargol. No obstant això, el rotatiu casolà no és menys popular. bufador de neu, en què es produeix la captura de neu a causa de les pales del ventilador.
Varietats de bufadors de neu rotatius
La màquina llevaneus rotativa es disposa de manera senzilla. La unitat consta d’un cos rodó: un cargol. A sobre hi ha una màniga per llançar neu. Les paletes de guia estan soldades a la part frontal del cos. Dins del cargol del bufador de neu, el rotor gira a gran velocitat. Consisteix en un rodet muntat en un eix amb coixinets. El mecanisme acciona el motor. Quan el rotor de la bufadora de neu comença a girar, les pales del rodet capturen la neu, la molen dins del cargol i la llencen uns quants metres de costat a través de la màniga.
Les màquines llevaneus de neu poden ser de dos tipus:
- Amb un motor instal·lat permanentment. En aquest cas, el bufador de neu funciona com una màquina de ple dret.
- Com a problema per a altres equips. El motor no està instal·lat en aquests productes casolans rotatius. El bufador de neu s’uneix a un tractor a peu o a un mini-tractor. La transmissió es realitza mitjançant una transmissió per corretja o per cadena.
Les bufadores de neu rotatives difereixen segons el tipus de motor:
- Els models rotatius elèctrics funcionen gairebé en silenci. Són més fàcils de mantenir i no requereixen consumibles. Un inconvenient és que el cable s’arrossega constantment darrere del bufador de neu. Podeu donar preferència al model de bateria, però el temps de funcionament d’aquesta unitat és molt limitat. Totes les bufadores de neu elèctriques tenen poca potència. Normalment s’utilitzen a les dachas i patis privats per netejar els camins de neu fresca i fluixa.
- Els models rotatius de gasolina són molt més potents que els bufadors de neu elèctrics. El seu únic inconvenient és el manteniment del motor més complex, el repostatge regular de combustibles i lubricants i la presència de gasos d’escapament. Tot i això, el bufador de neu de gasolina no està lligat a una presa de corrent. La potència del motor permet fabricar un gran mecanisme de rotor. Aquesta unitat rotativa té una amplada de treball augmentada, és capaç de fer front a la capa de neu gruixuda i fins i tot a les escombraries de neu.
Pel tipus de moviment, les bufadores de neu rotatives són:
- Les unitats no autopropulsades es mouen empenyent-les per l’operador. Els bufadors de neu elèctrics solen pertànyer a aquesta categoria, però també hi ha models de gasolina de baixa potència. La tècnica s’ha d’aprofitar lleugerament. A causa de la captura de la coberta per l'impulsor, el propi bufador de neu avançarà gradualment.
- Els cotxes autopropulsats solen funcionar amb un motor de gasolina. El propi bufador de neu cavalca sobre rodes. L’operari només li dóna direcció.
També és raonable atribuir la màquina llevaneus rotativa a equips autopropulsats, tot i que ni tan sols té un accionament estacionari. Tot i això, no cal que l’empenyeu amb les mans. L’enganx es mourà amb el tractor o el mini-tractor que hi ha darrere.
Dibuixos de bufadors de neu rotatius
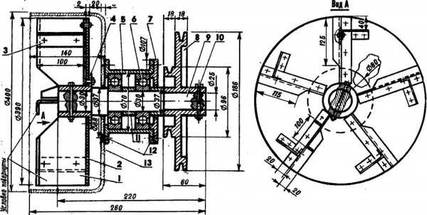
Es requereixen plànols per muntar adequadament els equips per eliminar la neu. A la foto, us suggerim que us familiaritzeu amb el dispositiu del bufador de neu rotatiu més senzill.
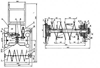
El següent esquema és més adequat per als propietaris d’un mini-tractor. El cas és que no és raonable fixar un enganxi rotatiu a una tècnica tan potent.Molt sovint, es fa un mecanisme combinat per a un mini-tractor. L’enganxament consta d’una barrena i un rotor. Un bufador de neu així podrà fer front a grans derives de neu.
En el bufador de neu combinat, la neu es processa en dues etapes. La barrina captura i tritura la coberta i el rotor barreja la massa solta amb l'aire i la llença a través de la màniga sota una forta pressió.
El principi de funcionament de la màquina llevaneu es presenta al vídeo:
Desbrossadora rotativa de fabricació pròpia
El procés de fabricar una bufadora de neu rotativa amb les vostres pròpies mans es pot dividir condicionalment en els passos següents:
- muntatge del marc;
- fabricació d'un mecanisme rotatiu;
- soldadura de carcassa - cargols.
Si l'estructura llevaneus no és una frontissa per a altres equips, l'artesà farà una acció més: la instal·lació del motor.
A l’hora de determinar la mida d’un bufador de neu rotatiu, és òptim aturar-se en aquests paràmetres de manera que l’amplada de treball sigui de 48 a 50 cm. El disseny del bufador de neu no és voluminós, sinó eficient. Amb aquesta màquina llevaneus, podeu netejar ràpidament la zona adjacent a la casa, el pati i els camins del jardí.
Muntatge del marc d’un bufador de neu rotatiu
El marc serveix de base per a la màquina llevaneus. Hi estan fixats tots els cossos de treball. En termes generals, el marc de la bufadora de neu és una estructura rectangular soldada a partir de cantonades i un perfil. No és possible donar instruccions clares per a la seva fabricació, ja que tot dependrà de les peces de recanvi utilitzades. Suposem que podeu treure el motor d'una motoserra, un conreador o, en general, posar un motor elèctric. Per a cada unitat, haureu de crear un muntatge individualment. Si el bufador de neu rotatiu s’utilitza com a enganxall per a un tractor a peu, el motor no s’instal·larà. Això significa que el marc es redueix perquè hi hagi prou espai per fixar només el rotor amb la voluta.
Si la màquina rotativa és autopropulsada, es proporciona un punt de fixació del joc de rodes al marc. Un bufador de neu no autopropulsat és més fàcil de posar sobre els esquís. Per a això, els elements de subjecció es solden des de la part inferior del marc i s’hi fixen corredisses de fusta.
Muntatge del rotor de la bufadora de neu
La part més difícil d’un bufador de neu és el rotor. El requisit principal és per l’impulsor. Pot tenir de dues a cinc fulles. Però aquest no és el punt. El seu nombre depèn de les preferències personals. El més important és que cada fulla té la mateixa massa. En cas contrari, hi haurà un desequilibri. Durant la rotació del rodet desequilibrat, el bufador de neu es llançarà al seu lloc a causa de fortes vibracions.
Si no és possible demanar la fabricació d’un rotor de bufador de neu, s’haurà de fer tota la feina de manera independent. El dibuix proporcionat es pot utilitzar com a guia.
El procés d’autoproducció d’un rotor consisteix en els passos següents:
- Primer cal trobar l’eix. El rodet i els coixinets s’hi muntaran. Aquesta part només s’haurà d’engegar un torn. No hi ha cap altra sortida, tret que l'explotació tingui un eix d'una mida adequada d'altres equips. Cal tenir en compte que en un rotor de bufador de neu casolà, certament, hi haurà almenys un petit desequilibri. És millor triar un eix de gruix per a coixinets grans. La vibració els trencarà menys.
- El rotor del rotor és de metall amb un gruix de 2-3 mm. En primer lloc, es dibuixa un cercle del diàmetre requerit al full. En general, s’adhereixen a una mida de 29 a 32 cm. La peça es talla amb una trituradora o una serra. No és desitjable utilitzar soldadures, ja que el metall conduirà a l’escalfament.El disc tallat es processa en una maquineta i un fitxer per obtenir un cercle perfectament uniforme.
- Es fa un forat estrictament al centre del disc al llarg del diàmetre de l’eix. L’eix es pot soldar simplement a la peça, però el rotor resultarà inseparable. Això farà que sigui més difícil reparar-lo en el futur. És raonable tallar un fil a l’eix i subjectar el disc amb femelles.
- Ara és el moment de fer les fulles elles mateixes. Es tallen amb metall similar. Idealment haurien de resultar espais en blanc idèntics. Es recomana pesar cada fulla. Com més petita sigui la diferència de grams, més feble serà la vibració del bufador de neu pel desequilibri. Les fulles acabades des del centre del disc fins a la seva vora es fixen a la mateixa distància les unes de les altres.
Això completa els espais en blanc del rotor de la bufadora de neu. Ara queda fixar dos coixinets a l’eix. Necessiten un hub. Es pot fer a partir d’un tros de canonada del diàmetre adequat. Quatre aletes estan soldades al cub. Simplement podeu fixar la brida acabada amb forats. En aquest punt, el centre quedarà fixat a la paret posterior de la còclea.
Fer un caragol
La forma de la carcassa d’un bufador de neu rotatiu s’assembla una mica a un cargol, motiu pel qual va ser nomenat així. Per fer-ho, necessiteu un tros de canonada d’un diàmetre adequat de 15 a 20 cm de llargada. Un costat de l’anella està soldat amb una làmina de metall. Aquesta serà la paret posterior de la voluta, a la qual està fixat el cub del coixinet del rotor. Davant de l'anell als costats, es solden dues pales de guia.
Es talla un forat a la part superior de l'anell i es solda un tub de derivació per a la màniga. La part davantera del cargol ha de tancar-se 1/3 perquè la neu no passi per davant del rotor, sinó que es desviï per la màniga. És millor fer que el tap es pugui extraure de les agulles. Aquest disseny facilitarà l’accés a l’impulsor.
Ara queda fixar el rotor dins de la carcassa. Per fer-ho, es perfora un forat per a l'eix al centre de la paret posterior de la voluta. El rotor es col·loca al seu lloc, pressionant fermament el cub del coixinet contra la carcassa. A les orelles de la brida, marqueu la ubicació dels forats de muntatge. El rotor es retira de la carcassa, es realitza la perforació, després es posa el mecanisme al lloc i es cargola el cub a la paret posterior del cargol.
Així, a l’interior del cos rodó s’obté un eix del rotor que sobresurt. S’hi col·loca un rodet i es tensa amb cura amb femelles. A l'exterior de la voluta, quedava un eix amb rodaments i un segon extrem sortint de l'eix. S’hi posa una politja de corretja. Si es prefereix una transmissió per cadena, s’uneix un asterisc d’un ciclomotor en lloc d’una politja.
El mecanisme rotatiu acabat s'instal·la al marc, després del qual es procedeix a completar encara més la bufadora de neu, en funció del model seleccionat. És a dir, posen el motor o connecten l’enganxament al tractor situat darrere i equipen l’accionament.
Conclusió
L’avantatge d’un producte casolà rotatiu és la capacitat de fabricar una màquina llevaneus amb l’amplada de treball requerida, així com un estalvi significatiu en els costos.







